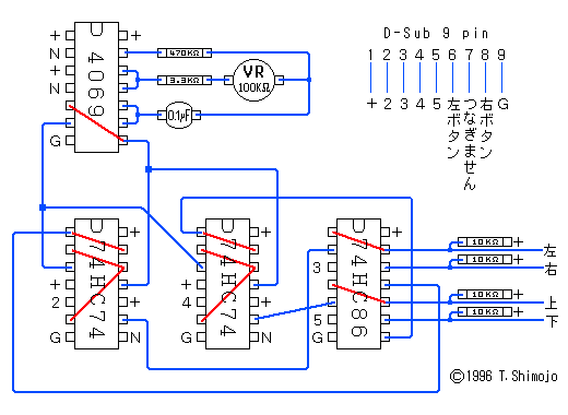
98マウスアダプタの回路図
この回路図が正しいものであるという保証は致しません。
この回路によって生じた損害はその責任を各自が負ってください。
図の見方
青い線が通常の配線。赤い線はICをまたぐ配線を表します。
- マウスコネクタ(D-Sub 9 Pin)の各端子に以下のように接続します。
- 1番ピン
- 2、3、4、5番ピン
- 「2」「3」「4」「5」のついているICの足を接続します。
- 6番ピン
- (コントローラーの)左ボタン(Aボタン?)を接続します。
- 7番ピン
- 8番ピン
- (コントローラーの)右ボタン(Bボタン?)を接続します。
- 9番ピン
- (コントローラーの)ジョイスティックの左、右、上、下、にそれぞれ「左」「右」「上」「下」を接続します。
- 「N」のついているICの足には何も接続しません。
使用部品
- IC
- 4069===1個(74HCU04で代用できる?写真のページを参照)
- 74HC74===2個
- 74HC86===1個
- 抵抗
- 470K===1個(100Kから500Kぐらいまで幅広く代用可能)
- 10K===4個(1Kから10Kぐらいまで幅広く代用可能)
- 3.3K===1個(マウスカーソルの最大移動速度を決定します。抵抗値を小さくすると速くなります)
- 可変抵抗
- 100K===1個(マウスカーソルの最小移動速度を決定します。抵抗値を大きくすると遅くなります。)
- コンデンサ
- その他
- ジョイスティック===1個
- 押しボタン===2個
- 機種に合ったコネクタ===1個
想定しているジョイスティック
レバーを入れたり、ボタンを押したりすると出力がグランドレベル(0V)になるもの。つまりアーケードゲームのコントロールパネルやMSX仕様のジョイパッドなどです。(グランドは{D-Sub 9pin}の9番ピンからとってください。)
前に戻る